富林克PZ973X/F/H/Y-10电动凸耳式刀型闸阀具有切断介质等优点,其密封原理是通过闸板在关闭到底时,闸板斜切面碰到阀体上的锲块使得闸板紧靠密封面起到密封效果,并且闸板底部的斜切面具有切断介质的功能,使得阀门不易受介质的堵塞卡阻

富林克PZ973X/F/H/Y-10电动凸耳式刀型闸阀具有切断介质等优点,其密封原理是通过闸板在关闭到底时,闸板斜切面碰到阀体上的锲块使得闸板紧靠密封面起到密封效果,并且闸板底部的斜切面具有切断介质的功能,使得阀门不易受介质的堵塞卡阻
电动凸耳式刀闸阀用途
电动执行器适用于启闭件做直线运动的阀门,用于阀门的开启、关闭或调节。是对阀门实现远控、集控和自控的必不可少的驱动装置,具有功能全、性能可靠、控制系统先进、体积小、重量轻、使用维护方便等特点
富林克PZ973X/F/H/Y-10电动凸耳式刀型闸阀具有切断介质等优点,其密封原理是通过闸板在关闭到底时,闸板斜切面碰到阀体上的锲块使得闸板紧靠密封面起到密封效果,并且闸板底部的斜切面具有切断介质的功能,使得阀门不易受介质的堵塞卡阻。

|
体、盖 |
闸板 |
阀杆 |
密封面 |
|
不锈钢、碳钢 、2520高温钢、 铬钼钢 |
不锈钢、碳钢 、2520高温钢、铬钼钢 |
不锈钢 |
橡胶、四氟、不锈钢、硬质合金 、 2520高温钢、陶瓷 |
特点:
1.刀闸阀是由狭窄的阀体和滑动闸板构成。
2.闸板有锋利的刀口,能够将流体介质中的固体颗粒排开或切割。
3.闸板表面抛光处理加强了闸板穿透力,有效保护了填料和阀座的使用寿命。
4.阀体底部配置了闸板压紧装置,能够安全第将闸板支撑压紧在阀座上,确保关闭紧密有效。
5.其结构可以做成硬密封、软密封,广泛适用于矿山电厂的选煤、排渣、食品、造纸、医药、化工等管路上,接通或截断管路中的水泥浆、金矿粉、矿砂、炉渣、煤泥、纸浆、木浆、尾矿、纤维、粉尘、化学品处理污水、沉淀池、沥青、料仓出口等介质

|
公称压力(MPa) |
壳体试验(MPa) |
密封试验(MPa) |
工作温度 |
型号 |
|
1.0 1.6 |
1.5 2.4 |
1.1 1.8 |
≤900℃ |
电动 PZ 9 73X/F/H/Y-10 |
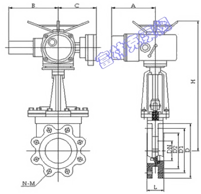
电动凸耳式刀闸阀结构图

|
公称压力 |
DN |
L |
D1 |
D2 |
H |
A |
B |
C |
D |
N-Φ |
电装型号 |
|
0.6 MPa |
50 |
48 |
90 |
110 |
600 |
215 |
125 |
318 |
197 |
4-M12 |
DZ10 |
|
|
65 |
48 |
110 |
130 |
670 |
215 |
125 |
318 |
197 |
4-M12 |
DZ10 |
|
|
80 |
51 |
125 |
150 |
680 |
215 |
125 |
318 |
197 |
4-M16 |
DZ10 |
|
|
100 |
51 |
145 |
170 |
700 |
215 |
125 |
318 |
197 |
4-M16 |
DZ10 |
|
|
125 |
57 |
175 |
200 |
720 |
215 |
125 |
318 |
197 |
8-M16 |
DZ10 |
|
|
150 |
57 |
200 |
225 |
790 |
215 |
125 |
318 |
197 |
8-M16 |
DZ10 |
|
|
200 |
70 |
255 |
280 |
850 |
215 |
125 |
363 |
197 |
8-M16 |
DZ15 |
|
|
250 |
70 |
310 |
335 |
1100 |
215 |
125 |
363 |
197 |
12-M16 |
DZ20 |
|
|
300 |
76 |
362 |
395 |
1180 |
215 |
125 |
363 |
197 |
12-M20 |
DZ20 |
|
|
350 |
76 |
412 |
445 |
1280 |
215 |
125 |
363 |
197 |
12-M20 |
DZ30 |
|
|
400 |
89 |
462 |
495 |
1460 |
215 |
125 |
363 |
197 |
16-M20 |
DZ45 |
|
|
450 |
89 |
518 |
550 |
1600 |
240 |
235 |
437 |
277 |
16-M20 |
DZ45 |
|
|
500 |
114 |
568 |
600 |
1800 |
240 |
235 |
437 |
277 |
16-M20 |
DZ60 |
|
|
600 |
114 |
670 |
705 |
2100 |
240 |
235 |
437 |
277 |
20-M22 |
DZ60 |
|
|
700 |
127 |
775 |
810 |
2300 |
274 |
260 |
526 |
283 |
24-M22 |
DZ90 |
|
|
800 |
127 |
880 |
920 |
2500 |
274 |
260 |
526 |
283 |
24-M27 |
DZ120 |
|
|
900 |
154 |
980 |
1020 |
2700 |
319 |
295 |
554 |
309 |
24-M27 |
DZ180 |
|
|
1000 |
165 |
1080 |
1120 |
2900 |
319 |
295 |
554 |
309 |
28-M27 |
DZ250 |
|
|
1200 |
190 |
1295 |
1340 |
2300 |
319 |
295 |
554 |
309 |
32-M27 |
DZ250 |
|
1.0 、 1.6 MPa |
50 |
48 |
100 |
125 |
600 |
215 |
125 |
318 |
197 |
4-M16 |
DZ10 |
|
|
65 |
48 |
120 |
145 |
670 |
215 |
125 |
318 |
197 |
4-M16 |
DZ10 |
|
|
80 |
51 |
135 |
160 |
680 |
215 |
125 |
318 |
197 |
4-M16 |
DZ10 |
|
|
100 |
51 |
155 |
180 |
700 |
215 |
125 |
318 |
197 |
8-M16 |
DZ10 |
|
|
125 |
57 |
185 |
210 |
720 |
215 |
125 |
318 |
197 |
8-M16 |
DZ10 |
|
|
150 |
57 |
210 |
2400 |
790 |
215 |
125 |
363 |
197 |
8-M20 |
DZ15 |
|
|
200 |
70 |
265 |
295 |
850 |
215 |
125 |
363 |
197 |
8-M20 |
DZ20 |
|
|
250 |
70 |
320 |
350 |
1140 |
215 |
125 |
363 |
197 |
12-M20 |
DZ20 |
|
|
300 |
76 |
368 |
400 |
1180 |
215 |
125 |
363 |
197 |
12-M20 |
DZ30 |
|
|
350 |
76 |
428 |
460 |
1280 |
215 |
125 |
363 |
197 |
16-M20 |
DZ30 |
|
|
400 |
89 |
482 |
515 |
1460 |
240 |
235 |
437 |
277 |
16-M22 |
DZ45 |
|
|
450 |
89 |
532 |
565 |
1600 |
240 |
235 |
437 |
277 |
20-M22 |
DZ45 |
|
|
500 |
114 |
585 |
620 |
1800 |
240 |
235 |
437 |
277 |
20-M22 |
DZ60 |
|
|
600 |
114 |
685 |
725 |
2100 |
240 |
235 |
437 |
277 |
20-M27 |
DZ60 |
|
|
700 |
127 |
800 |
840 |
2300 |
274 |
260 |
526 |
238 |
24-M27 |
DZ120 |
|
|
800 |
127 |
898 |
950 |
2500 |
319 |
295 |
554 |
309 |
24-M30 |
DZ180 |
|
|
900 |
154 |
1005 |
1050 |
2700 |
319 |
295 |
554 |
309 |
28-M30 |
DZ180 |