富林克PZ973X/F/H/Y电动圆形刀型闸阀结构分软密封和硬密封,具有良好的剪切作用优点,驱动部分采用多回转电动装置,其上半部分为气动执行器,下半部分为阀门,用以驱动和控制阀门的开启和关闭,操作人员可以在控制室内远距离对阀门进行控制也可以现场手动操作

富林克PZ973X/F/H/Y电动圆形刀型闸阀结构分软密封和硬密封,具有良好的剪切作用优点,驱动部分采用多回转电动装置,其上半部分为气动执行器,下半部分为阀门,用以驱动和控制阀门的开启和关闭,操作人员可以在控制室内远距离对阀门进行控制也可以现场手动操作
电动圆形刀型闸阀用途--
富林克PZ973X/F/H/Y电动圆形刀型闸阀结构分软密封和硬密封,具有良好的剪切作用优点,驱动部分采用多回转电动装置,其上半部分为气动执行器,下半部分为阀门,用以驱动和控制阀门的开启和关闭,操作人员可以在控制室内远距离对阀门进行控制也可以现场手动操作,也可以与计算机配合实现计算机自动控制。其结构可以做成硬密封、软密封,适宜于浆料、粉粒料、纤维等难以控制的流体,广泛应用于造纸、石化、矿山、排水、食品等行业

特点
1.刀闸阀是由狭窄的阀体和滑动闸板构成,闸板有锋利的刀口,能够将流体介质中的固体颗粒排开或切割。
2.阀体底部配置了闸板压紧装置,能够安全第将闸板支撑压紧在阀座上,确保关闭紧密有效。
3.在刀板上端安装有PTFE、刮泥器,可防止粉尘砂砾等擦伤性物质进入填料盒。
4.采用双平面轴承设计,使得传动摩擦力大大减小,方便阀门的开启关闭
5.阀座可根据介质和工矿的需要,选金属硬密封或软密封:闸板采用表面镀硬铬或离子氮化处理,使闸板更耐磨,密封面使用寿命增强;软密封阀座可选PTFE、NBR、EPDM阀座,密封性好,耐腐蚀
6.闸板表面抛光处理加强了闸板穿透力,有效保护了填料和阀座的使用寿命。
7.密封阀座采用活动式密封,且采用O型圈预紧提供预紧力使密封阀座紧贴阀板,泄漏量大大减少,对在长期使用中密封副的磨损有自动补偿功能,提高阀门的使用寿命
8.其结构可以做成硬密封、软密封,广泛适用于矿山电厂的选煤、排渣、食品、造纸、医药、化工等管路上,接通或截断管路中的造纸、纸浆工业、水泥浆、金矿粉、矿砂、炉渣、煤泥、纸浆、木浆、尾矿、纤维、粉尘、化工厂、散状物料输送、飞灰处理、化学品处理污水、沉淀池、沥青、料仓出口等介质

|
体、盖 |
闸板 |
阀杆 |
密封面 |
|
不锈钢、碳钢 、2520高温钢、 铬钼钢 |
不锈钢、碳钢 、2520高温钢、铬钼钢 |
不锈钢 |
橡胶、四氟、不锈钢、硬质合金 、2520高温钢、陶瓷 |
|
公称压力(MPa) |
壳体试验(MPa) |
密封试验(MPa) |
工作温度 |
型号 |
|
1.0 1.6 |
1.5 2.4 |
1.1 1.8 |
≤900℃ |
电动 圆形刀闸阀PZ 97 3X/F/H/Y |
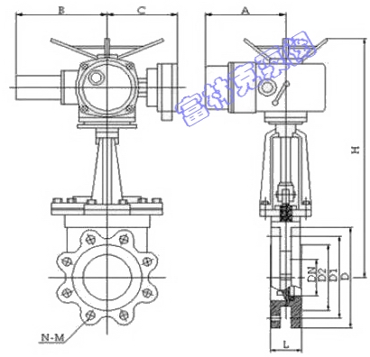
电动圆形刀型闸阀结构图

|
公称压力 |
DN |
L |
D1 |
D2 |
H |
D0 |
L0 |
L1 |
L2 |
N-Φ |
电装型号 |
|
0.6 MPa |
50 |
43 |
90 |
110 |
600 |
125 |
215 |
318 |
197 |
4-M12 |
DZ10 |
|
65 |
46 |
110 |
130 |
670 |
125 |
215 |
318 |
197 |
4-M12 |
DZ10 |
|
|
80 |
46 |
125 |
150 |
680 |
125 |
215 |
318 |
197 |
4-M16 |
DZ10 |
|
|
100 |
52 |
145 |
170 |
700 |
125 |
215 |
318 |
197 |
4-M16 |
DZ10 |
|
|
125 |
56 |
175 |
200 |
720 |
125 |
215 |
318 |
197 |
8-M16 |
DZ10 |
|
|
150 |
56 |
200 |
225 |
790 |
125 |
215 |
318 |
197 |
8-M16 |
DZ10 |
|
|
200 |
60 |
255 |
280 |
850 |
125 |
215 |
363 |
197 |
8-M16 |
DZ15 |
|
|
250 |
68 |
310 |
335 |
1100 |
125 |
215 |
363 |
197 |
12-M16 |
DZ20 |
|
|
300 |
78 |
362 |
395 |
1180 |
125 |
215 |
363 |
197 |
12-M20 |
DZ20 |
|
|
350 |
78 |
412 |
445 |
1280 |
125 |
215 |
363 |
197 |
12-M20 |
DZ30 |
|
|
400 |
102 |
462 |
495 |
1460 |
125 |
215 |
363 |
197 |
16-M20 |
DZ45 |
|
|
450 |
114 |
518 |
550 |
1600 |
235 |
240 |
437 |
277 |
16-M20 |
DZ45 |
|
|
500 |
127 |
568 |
600 |
1800 |
235 |
240 |
437 |
277 |
16-M20 |
DZ45 |
|
|
600 |
154 |
670 |
705 |
2100 |
235 |
240 |
437 |
277 |
20-M22 |
DZ60 |
|
|
700 |
165 |
775 |
810 |
2300 |
260 |
274 |
526 |
283 |
24-M22 |
DZ90 |
|
|
800 |
190 |
880 |
920 |
2500 |
260 |
274 |
526 |
283 |
24-M27 |
DZ120 |
|
|
900 |
203 |
980 |
1020 |
2700 |
295 |
319 |
554 |
309 |
27-M27 |
DZ180 |
|
|
1000 |
216 |
1080 |
1120 |
2900 |
295 |
319 |
554 |
309 |
28-M27 |
DZ250 |
|
|
1200 |
254 |
1295 |
1340 |
3400 |
295 |
319 |
554 |
309 |
32-M30 |
DZ250 |
|
|
1.0 MPa |
50 |
43 |
160 |
125 |
600 |
125 |
215 |
318 |
197 |
4-M16 |
DZ10 |
|
65 |
46 |
120 |
145 |
670 |
125 |
215 |
318 |
197 |
4-M16 |
DZ10 |
|
|
80 |
46 |
135 |
160 |
680 |
125 |
215 |
318 |
197 |
4-M16 |
DZ10 |
|
|
100 |
52 |
155 |
180 |
700 |
125 |
215 |
318 |
197 |
8-M16 |
DZ10 |
|
|
125 |
56 |
185 |
210 |
720 |
125 |
215 |
318 |
197 |
8-M16 |
DZ10 |
|
|
150 |
56 |
210 |
240 |
790 |
125 |
215 |
318 |
197 |
8-M20 |
DZ10 |
|
|
200 |
60 |
265 |
295 |
850 |
125 |
215 |
363 |
197 |
8-M20 |
DZ15 |
|
|
250 |
68 |
320 |
350 |
1100 |
125 |
215 |
363 |
197 |
12-M20 |
DZ20 |
|
|
300 |
78 |
368 |
400 |
1180 |
125 |
215 |
363 |
197 |
12-M20 |
DZ20 |
|
|
350 |
78 |
428 |
460 |
1280 |
125 |
215 |
363 |
197 |
16-M20 |
DZ30 |
|
|
400 |
102 |
482 |
515 |
1460 |
235 |
240 |
437 |
277 |
16-M22 |
DZ45 |
|
|
450 |
114 |
532 |
565 |
1600 |
235 |
240 |
437 |
277 |
20-M22 |
DZ45 |
|
|
500 |
127 |
585 |
620 |
1800 |
235 |
240 |
437 |
277 |
20-M22 |
DZ60 |
|
|
600 |
154 |
685 |
725 |
2100 |
260 |
274 |
526 |
283 |
20-M27 |
DZ90 |
|
|
700 |
165 |
800 |
840 |
2300 |
260 |
274 |
526 |
283 |
24-M27 |
DZ120 |
|
|
800 |
190 |
898 |
950 |
2500 |
295 |
319 |
554 |
309 |
24-M30 |
DZ180 |
|
|
900 |
203 |
1005 |
1050 |
2700 |
295 |
319 |
554 |
309 |
28-M30 |
DZ180 |
|
|
1000 |
216 |
1115 |
1160 |
2900 |
295 |
319 |
554 |
309 |
28-M30 |
DZ250 |
|
|
1200 |
254 |
1325 |
1380 |
3400 |
295 |
319 |
554 |
309 |
32-M36 |
DZ250 |