富林克ZFQ-1防爆阻火呼吸阀,防爆阻火呼吸阀集阻火器功能与呼吸阀功能为一体,是石化储罐必备的新型安全设备,其最大优点是阻火呼吸性能好,重量轻,维修方便

富林克ZFQ-1防爆阻火呼吸阀,防爆阻火呼吸阀集阻火器功能与呼吸阀功能为一体,是石化储罐必备的新型安全设备,其最大优点是阻火呼吸性能好,重量轻,维修方便
防爆阻火呼吸阀用途--
富林克ZFQ-1防爆阻火呼吸阀,又名LFH-IZ阻火呼吸阀,防爆阻火呼吸阀集阻火器功能与呼吸阀功能为一体,是石化储罐必备的新型安全设备,其最大优点是阻火呼吸性能好,重量轻,维修方便
呼吸阀安装在储罐顶部,是解决罐内正压,负压的气体,使罐内的液体进出没有受到阻碍,当外液体输入罐内时有大量的气体往外呼(称正压)。如罐内液体往外输出时罐内必须从外空气吸进罐内(称负压)。如停止工作时呼吸阀自动关闭不会把罐内液气往外泄漏,使罐内的液体质量得到了有利的保障。
呼吸阀适用于储存闪点低于 28 ℃的甲类油品和闪点低于 60 ℃的乙类油品,如汽油、笨、甲笨、煤油、轻柴油、机油、原油等油品及性质相同的化工产品储罐。如罐体上不装呼吸阀罐内的液体进出有一定的障碍,很可能出现罐体变型和振动,全天候呼吸阀可与阻火器配套使用

特点:
防爆阻火呼吸阀壳体选用不锈钢、铸钢,耐腐蚀性好;
阀盘采用四氟材料,耐低温,防冻性能好;
结构简单,易检修,安全方便;
呼吸阀性能完全符合石油工业部标准 SY7511-87 规定。
波纹阻火层采用不锈钢材料,阻火性能好,耐腐蚀性能好

|
阀体材料 |
WCB、304、316 |
|
正压阀盘材料 |
304、316 |
|
负压阀盘材料 |
304、316、四氟PTFE |
|
环境温度 ℃ |
-30~60 |

|
等级 |
操作压力 |
|
A级 |
+355Pa (36毫米水柱) -295Pa (30毫米水柱) |
|
B级 |
+980Pa (100毫米水柱) -295Pa (30毫米水柱) |
|
C级 |
1765Pa(180毫米水柱) -295Pa (30毫米水柱) |
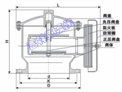
防爆阻火呼吸阀结构图

|
称通径 (mm) |
安装尺寸(mm) |
||||
|
D |
K |
L |
H |
n×φ |
|
|
DN25 |
115 |
85 |
160 |
165 |
4×14 |
|
DN32 |
135 |
100 |
180 |
185 |
4×18 |
|
DN40 |
145 |
110 |
190 |
190 |
4×18 |
|
DN50 |
160 |
125 |
220 |
220 |
4×18 |
|
DN80 |
195 |
160 |
270 |
260 |
8×18 |
|
DN100 |
215 |
180 |
310 |
280 |
8×18 |
|
DN150 |
280 |
240 |
380 |
330 |
8×22 |
|
DN200 |
335 |
295 |
450 |
380 |
12×22 |
|
DN250 |
395 |
350 |
520 |
420 |
12×22 |
|
DN400 |
565 |
515 |
670 |
520 |
16×26 |
维修与保养:
1.为了呼吸阀使用安全,应在3-6个月内定期将波纹阻火层拆下,清洗干净,保证阻火层上每个孔畅通,防止堵塞
2.重新安装压力阀盘时,应保证接触面要严密,导杆升降灵敏。
3.启用新的呼吸阀时,必须清除阀盘间的防震物。
4.检查阻火层的芯子是否堵塞、变形、腐蚀等。
5.定期检查通风气正、负阀盘动作是否灵活,导杆及阀盘接触密封面有无损坏,如有损坏应立即调换。在检查维护重新安装时,应保证阀内各结合面严密配合,阀盘升降灵活。新阀启用时,应安装前清除阀盘间的防震物,否则呼吸阀将失灵
安 装
1.呼吸阀应安装在储罐气源的最高点,以降低物料蒸发损耗和以便顺利地提供通向呼吸阀最直接和最大的通道。通常对于立式罐,呼吸阀应尽量安装在罐顶中央顶板范围内,对于罐顶需设隔热层的储罐、可安装在梯子平台附近;
2.当需要安装两个呼吸阀时,它们与罐顶中心应对称布置;
3.若呼吸阀用在氮封罐上,则氮气供气管的接管位置应远离呼吸阀接口,并由罐顶部插入储罐内约 200mm ,这样氮气进罐后不直接排出,达到氮封的目的。