富林克ZTY47自力式压差平衡阀是一种既能控制流量,又能控制压差的一体的多功能阀门。用转换阀来实现流量控制和压差控制的转换,当流量使用时,可具有流量阀所有功能,直接简便的根据设计来设定流量,它在水的作用下,自动消除管线剩余压力及压力波动引起的流量偏差

富林克ZTY47自力式压差平衡阀是一种既能控制流量,又能控制压差的一体的多功能阀门。用转换阀来实现流量控制和压差控制的转换,当流量使用时,可具有流量阀所有功能,直接简便的根据设计来设定流量,它在水的作用下,自动消除管线剩余压力及压力波动引起的流量偏差
自力式压差平衡阀应用
富林克ZTY47自力式压差平衡阀是一种既能控制流量,又能控制压差的一体的多功能阀门。用转换阀来实现流量控制和压差控制的转换,当流量使用时,可具有流量阀所有功能,直接简便的根据设计来设定流量,它在水的作用下,自动消除管线剩余压力及压力波动引起的流量偏差,无论系统压力怎样变化,保持设定流量不变,有效的解决管网水力平衡失调。当压差阀使用时,支持用户自主调节,恒定用户进出口压差,有助于稳定系统运行,转向阀又可作调节压差使用,该阀这些功能,使流量调节一次完成,把系统平衡调节变为简便的流量分配,有效的解决管网的水力平衡失调,可节能、节电15%以上

原理:
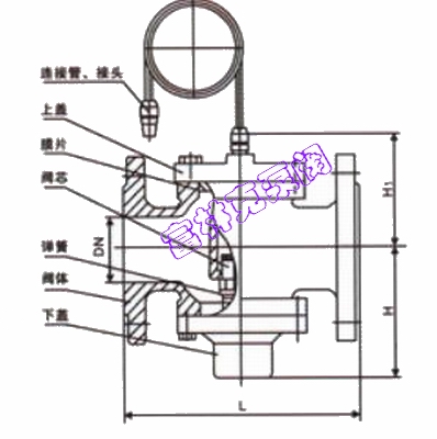
自力式压差控制阀亦称动态差压调节阀、动态差压平衡阀,差压控制器,定压差阀。它的结构是由阀体、双节流阀座、阀瓣、感压膜、弹簧及压差调节装置等组成,如下图所示:

P1为外网热力入口装置处供水管的压力;△P为被控系统的差;P2为通过被控系统后,阀前的压力;△P'为压差阀工作压差;P3为热力入口装置出口处回水管压力。
1.当供水压力P1 增大或减少时,信号由导压管供入感压膜上腔,带动阀瓣上移或下移,使阀口的流通面减少或增大,△P'= P2-P3 亦增大或减少,直至△P= P1-P2 保证原值恒定。
2.当回水压力P3 增大或减少的瞬间,由阀口流经出水口的流速降低或增高膜下压力P2 也在这个瞬间增高或降低,直至感压膜的受力重新平衡,P2 恢复原值,△P= P1-P2 保持压差不变。
3.当被控系统阻力减小或增大时,P2 减小或增大,带动阀上移或下移,阀口的流通面积增大或减小,引起P2 减小或增大,△P= P1-P3 亦随之减小或增大,直至△P= P1-P2 保持原值恒定。
从工作示意图中看出,△P= P1-P2 (1),△P'= P2-P3 (2)两式相加即得△P+△P'= P1-P3 ,由式3可以看出压差阀的控制压差与工作压差之和等于热力入口装置的供水管与热力入口装置出口处回水管之间的压差。

特点
1.自立式压差控制阀属动态平衡阀,通畅自立式压差控制阀没有切断功能,需要设置关断阀门。
2.对便流量水系统、在其中某两点要求,压差恒定的位置,安装自立式压差控制阀,即可消除该被控制系统内部,用户进行流量调节引起的干扰,也可消除外部管路压力波动被控系统的干扰,使系统在较稳定的工矿下运行,达到保证供暖(空调)节能能源的目的。
3.在动态控制的管网系统中,如末端未变流量系统,应设置自立式压差控制阀,以保证被控系统始终在额定压差下正常工作。
4.便流量的水平之平、干管入口处以及在安装温控阀、调节阀等的动态系统的支、干管入口处、安装自立式压差控制阀可使被控系统、回水管之间的压差保持恒定值。
5.应按照通过流量和工作压差范围来选择,自立式压差控制阀注意:由于多数产品的工作压差、范围比较窄,如果超出了工作范围,将会失去控制作用。不应该安装管径选择阀门规格。
6.室内供暖为双管系统的计量收费系统,热力入口应设有直立式压差控制阀、两端压差不予大于100KPA,不小于8KPA。
7.压差控制阀的实际工作、压差超出产品工作压差范围,应采用其它调型设备,进行初步调节。
8.要注意防止水中的杂质、柱塞阀门的毛细管和磨合部件,并要设置阀前过滤器。

|
零件名称 |
阀体、阀盖 |
阀杆 |
阀瓣 |
膜片 |
|
材料 |
铸铁、铸钢 、 不锈钢、黄铜 |
不锈钢 |
铸铜 、 不锈钢 |
丁腈橡胶 |
|
公称压力 |
公称通径 |
适用介质 |
适用温度 |
法兰标准 |
试验标准 |
|
1.6MPa |
15~400mm |
水、油等非腐蚀性液体 |
0~100℃ |
GB/T 17241.6 GB/T 9113 |
GB/T 13927 API598 |
自力式压差平衡阀结构图
|
DN(mm) |
连接方式 |
L(mm) |
H |
H1 |
流量m3/h |
适用介质 |
介质温度 |
主要零件材料 |
|
15 |
螺纹 |
110 |
72 |
98 |
0.2-1 |
水 |
0~100℃s |
阀体,上盖和下盖为铸造黄铜,阀芯为铜,膜片为尼龙强化橡胶,弹簧为不锈钢 |
|
20 |
110 |
72 |
98 |
0.3-1.5 |
||||
|
25 |
115 |
82 |
102 |
0.5-2 |
||||
|
32 |
法兰 |
160 |
91 |
94 |
1-4 |
|||
|
40 |
200 |
147 |
112 |
1.5-6 |
||||
|
50 |
215 |
120 |
112 |
2-8 |
||||
|
65 |
220 |
125 |
120 |
3-12 |
||||
|
80 |
275 |
188 |
133 |
5-20 |
||||
|
100 |
290 |
208 |
160 |
10-52 |
||||
|
125 |
310 |
226 |
175 |
15-45 |
||||
|
150 |
350 |
258 |
195 |
30-80 |
||||
|
200 |
430 |
301 |
230 |
40-180 |
||||
|
250 |
520 |
367 |
265 |
100-300 |
||||
|
300 |
635 |
430 |
300 |
150-500 |
||||
|
350 |
670 |
504 |
340 |
200-700 |
自力式压差平衡阀安装示意图
