富林克FD343H/FD373H防盗蝶阀是概据供热系统上使用单位不及时交费及油田上经常发生盗油事件造成的损失而设计成功的阀门产品。该防盗蝶阀具有防盗性能好(三保险),开关轻松、密封效果稳定、使用寿命长等特点

富林克FD343H/FD373H防盗蝶阀是概据供热系统上使用单位不及时交费及油田上经常发生盗油事件造成的损失而设计成功的阀门产品。该防盗蝶阀具有防盗性能好(三保险),开关轻松、密封效果稳定、使用寿命长等特点
防盗蝶阀应用
富林克FD343H/FD373H防盗蝶阀是概据供热系统上使用单位不及时交费及油田上经常发生盗油事件造成的损失而设计成功的阀门产品。该防盗蝶阀具有防盗性能好(三保险),开关轻松、密封效果稳定、使用寿命长等特点。
防盗阀门安装后,拿附件扳手上端的小六角旋出阀门上盖的小内六角螺丝,移开盖子,中间就是锁芯,如带钥匙锁芯就用钥匙打开,如带密码锁芯(见防盗阀门的密码编制和使用),拿出锁芯后,就用附件扳手下端打开(或关闭)阀门的蝶扳,顺时针关,逆时针开

结构特点:
1.防盗蝶阀具有结构简单、体积小、重量轻、材料耗用省,安装尺寸小,开关迅速、90°往复回转,驱动力矩小等特点,用于截断、接通、调节管路中的介质,具有良好的流体控制特性和关闭密封性能。
2.蝶阀可以运送泥浆,在管道口积存液体最少。低压下,可以实现良好的密封。 调节性能好。
3.蝶板的流线形设计,使流体阻力损失小,可谓是一种节能型产品。
4.阀杆为通杆结构,经过调质处理,有良好的综合力学性能和抗腐蚀性,抗擦伤性。电动蝶阀启闭时阀杆只作旋转运动而不作升降运行,阀杆的填料不易破坏,密封可靠。与蝶板锥销固定,外伸端为防冲出型设计,以免在阀杆与蝶板连接处意外断裂时阀杆崩出。

|
零件名称 |
阀体、阀盖 |
闸板、阀座 |
阀杆 |
阀杆螺母 |
填料 |
锁开 |
扳手 |
|
材料 |
碳钢 不锈钢 |
碳钢堆焊 铬不锈钢 |
铬不锈钢 |
铝铁 青铜 |
石墨盘根 |
锻不锈钢 |
锻钢 |

|
阀体材料 |
碳钢WCB、不锈钢304、316、 |
|
|
公称压力 Mpa |
1.6 |
2.5 |
|
壳体试压 Mpa |
2.4 |
3.75 |
|
密封试压Mpa |
1.76 |
2.75 |
|
使用 温度 |
-20℃~350℃ |
|
|
介质 : |
水、油品、蒸汽 |
|
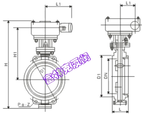
防盗蝶阀结构图
|
公称通径 DN |
主要连接尺寸(mm ) |
|||||
|
|
L |
D1 |
D2 |
Z-φd |
H |
HO |
|
50 |
43 |
125 |
100 |
4-φ18 |
220 |
160 |
|
65 |
46 |
145 |
120 |
4-φ48 |
220 |
175 |
|
80 |
49 |
160 |
135 |
4-φ48 |
320 |
185 |
|
100 |
64 |
180 |
158 |
8-φ48 |
340 |
195 |
|
150 |
70 |
240 |
212 |
8-φ23 |
414 |
240 |
|
200 |
71 |
295 |
266 |
8-φ23 |
512 |
260 |
|
250 |
76 |
350 |
320 |
12-φ23 |
570 |
295 |
|
300 |
83 |
400 |
368 |
12-φ23 |
667 |
340 |
|
350 |
92 |
460 |
430 |
16-φ23 |
744 |
383 |
|
400 |
102 |
515 |
482 |
16-φ25 |
827 |
427 |
|
450 |
114 |
565 |
532 |
20-φ25 |
913 |
457 |
|
500 |
127 |
620 |
585 |
20-φ25 |
1000 |
499 |
|
600 |
154 |
725 |
685 |
20-φ30 |
1207 |
618 |
|
700 |
165 |
840 |
800 |
24-φ30 |
1475 |
745 |
|
800 |
190 |
950 |
905 |
24-φ34 |
1605 |
809 |
|
公称通径 DN |
结构长度L |
外形尺寸(参考值) |
连接(标准值) |
参考 重量 |
||||||||||
|
|
|
H |
FD343H |
PN0.6MPa |
PN1.0MPa |
|
||||||||
|
mm |
inch |
短 |
长 |
|
H1 |
A1 |
B1 |
D |
D1 |
z-d |
D |
D1 |
z-d |
|
|
50 |
2 |
108 |
150 |
112 |
350 |
180 |
200 |
140 |
110 |
4-14 |
165 |
125 |
4-18 |
17 |
|
65 |
5/2 |
112 |
170 |
115 |
370 |
180 |
200 |
160 |
130 |
4-14 |
185 |
145 |
4-18 |
20 |
|
80 |
3 |
114 |
180 |
120 |
380 |
180 |
200 |
190 |
150 |
4-18 |
200 |
160 |
8-18 |
23 |
|
100 |
4 |
127 |
190 |
138 |
420 |
180 |
200 |
210 |
170 |
4-18 |
220 |
180 |
8-18 |
25 |
|
125 |
5 |
140 |
200 |
164 |
460 |
180 |
200 |
240 |
200 |
8-18 |
250 |
210 |
8-18 |
40 |
|
150 |
6 |
140 |
210 |
175 |
555 |
270 |
280 |
165 |
225 |
8-18 |
285 |
240 |
8-22 |
47 |
|
200 |
8 |
152 |
230 |
208 |
605 |
270 |
280 |
320 |
280 |
8-18 |
340 |
295 |
8-22 |
60 |
|
250 |
10 |
165 |
250 |
243 |
680 |
270 |
280 |
375 |
335 |
12-18 |
395 |
350 |
12-22 |
95 |
|
300 |
12 |
178 |
270 |
283 |
800 |
380 |
420 |
440 |
395 |
12-22 |
445 |
400 |
12-22 |
124 |
|
350 |
14 |
190 |
290 |
310 |
835 |
380 |
420 |
490 |
445 |
12-22 |
505 |
460 |
16-22 |
181 |
|
400 |
16 |
216 |
310 |
340 |
915 |
450 |
470 |
540 |
495 |
16-22 |
565 |
515 |
16-26 |
260 |
|
450 |
18 |
222 |
330 |
380 |
960 |
480 |
490 |
595 |
550 |
16-22 |
615 |
565 |
20-26 |
338 |
|
500 |
20 |
229 |
350 |
410 |
1020 |
480 |
490 |
645 |
600 |
20-22 |
670 |
620 |
20-26 |
360 |
|
600 |
24 |
267 |
390 |
470 |
1225 |
480 |
660 |
755 |
705 |
20-26 |
780 |
725 |
20-30 |
540 |
|
700 |
28 |
292 |
430 |
550 |
1355 |
640 |
660 |
860 |
810 |
24-26 |
895 |
840 |
24-30 |
580 |
|
800 |
32 |
318 |
470 |
640 |
1470 |
640 |
660 |
975 |
920 |
24-30 |
1015 |
950 |
24-33 |
845 |
|
900 |
36 |
330 |
510 |
710 |
1545 |
750 |
860 |
1075 |
1020 |
24-30 |
1115 |
1050 |
28-33 |
1050 |
|
1000 |
40 |
410 |
550 |
770 |
1795 |
850 |
860 |
1175 |
1120 |
28-30 |
1230 |
1160 |
28-36 |
1500 |
|
1200 |
48 |
470 |
630 |
890 |
1965 |
850 |
900 |
1405 |
1340 |
32-33 |
1455 |
1380 |
32-39 |
2000 |