富林克Q41F46衬氟球阀是用带圆形通孔的球体作启闭件,球体随阀杆绕阀体中心线旋转以实现阀门开启和关闭。采用特殊的模压工艺,使密封面致密良好

富林克Q41F46衬氟球阀是用带圆形通孔的球体作启闭件,球体随阀杆绕阀体中心线旋转以实现阀门开启和关闭。采用特殊的模压工艺,使密封面致密良好
衬氟球阀应用
富林克Q41F46衬氟球阀是用带圆形通孔的球体作启闭件,球体随阀杆绕阀体中心线旋转以实现阀门开启和关闭。采用特殊的模压工艺,使密封面致密良好。球体与阀杆铸为一体,杜绝了由于压力变化引起阀杆冲出承压件内的可能性,根本保证使用中的安全性;采用全塑料衬里工艺,耐介质的强腐蚀。
衬氟球阀介质所能到达的地方全部覆有可供选择的各种氟塑料,具有强度高、耐腐蚀性能好的特点,能够承受“除熔融碱金属和元素氟”以外任何腐蚀性介质,根据衬里材质的不同,适用于-50℃-150℃的各种浓度的王水、硫酸、盐酸、氢氟酸和各种有机酸、强酸、强氧化剂,FEP还适用于各种浓度的强碱有机溶剂以及其它腐蚀性气体、液体介质的管路上使用。

特点
1.流体阻力小,衬里球阀内壁光滑,流道通畅。
2.开关迅速、只需将球体旋转90°,便完成开户和关闭动作。
3.采用特殊模压工艺,将衬里材料衬于阀门壳体内壁,能耐强酸、强碱介质的腐蚀。衬里球面与PTFE阀座组合,密封性好,达到了零泄漏。
4.可配置气动、电动、液动等多种驱动装置,实现远距离控制和自动化操作。
5.球体与阀杆融为一体,消除了转动角差,杜绝了因压力变化引起阀杆冲出体外的危险,保证了使用的安全性、可靠性。

|
型号 |
Q41F46衬氟球阀 |
||
|
公称压力 Mpa |
0.6 |
1.0 |
1.6 |
|
壳体试压 Mpa |
0.9 |
2.0 |
2.4 |
|
密封试压Mpa |
0.7 |
1.1 |
1.76 |
|
使用 温度 |
-20℃~120℃ |
||
|
介质 |
适用在-20℃~150℃的各种浓度的王水、硫酸、盐酸、氢氟酸和各种有机酸、强酸、强氧化剂,强碱有机溶剂以及其它腐蚀性气体、液体介质的管路上 |
||

|
序号 |
零件名称 |
灰铸铁 |
铸钢 |
不锈耐酸铸钢 |
超低碳不锈耐酸铸钢 |
||
|
Z |
C |
P |
R |
PL |
RL |
||
|
1 |
阀体/阀盖 |
HT250 |
WCB |
CF8 |
CF8M |
CF3 |
CF3M |
|
2 |
球体/阀杆 |
WCB |
CF8 |
CF8M |
CF3 |
CF3M |
|
|
3 |
衬里/阀座 |
PCTEF(F3),FEP(F46),PFA(可溶F4),PP,PO |
|||||
|
4 |
填料压盖 |
WCB |
CF8 |
CF8M |
CF3 |
CF3M |
|
|
5 |
填料 |
PTFE(F4) |
PTFE(F4) |
PTFE(F4) |
|||
|
6 |
支架 |
35 |
1Cr18Ni9Ti |
1Cr18Ni9Ti |
|||
|
7 |
螺栓 |
35 |
Cr17Ni2 |
1Cr18Ni2 |
|||
|
8 |
紧固螺母 |
45 |
0Cr18Ni9 |
0Cr18Ni9 |
|||
|
9 |
操作手柄 |
WCB |
WCB |
WCB |
|||

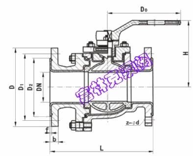
衬氟球阀结构图
|
公称通经 |
L |
D |
D1 |
D2 |
f |
b |
Z-φd |
|
|
DN(mm) |
NPS(inch) |
PN1.0MPa |
||||||
|
15 |
1/2 |
130 |
95 |
65 |
45 |
2 |
14 |
4-φ14 |
|
20 |
3/4 |
140 |
105 |
75 |
55 |
2 |
16 |
4-φ14 |
|
25 |
1 |
150 |
115 |
85 |
65 |
2 |
16 |
4-φ14 |
|
32 |
5/4 |
165 |
135 |
100 |
78 |
2 |
18 |
4-φ18 |
|
40 |
3/2 |
180 |
145 |
110 |
85 |
3 |
18 |
4-φ18 |
|
50 |
2 |
200 |
160 |
125 |
100 |
3 |
20 |
4-φ18 |
|
65 |
5/2 |
220 |
180 |
145 |
120 |
3 |
20 |
4-φ18 |
|
80 |
3 |
250 |
195 |
160 |
135 |
3 |
22 |
4-φ18 |
|
100 |
4 |
280 |
215 |
180 |
155 |
3 |
22 |
8-φ18 |
|
125 |
5 |
320 |
245 |
210 |
185 |
3 |
24 |
8-φ18 |
|
150 |
6 |
360 |
280 |
240 |
210 |
3 |
24 |
8-φ23 |
|
200 |
8 |
457 |
335 |
295 |
265 |
3 |
26 |
8-φ23 |
|
250 |
10 |
533 |
390 |
350 |
320 |
3 |
28 |
12-φ23 |
|
PN1.6MPa |
||||||||
|
15 |
1/2 |
130 |
95 |
65 |
45 |
2 |
14 |
4-φ14 |
|
20 |
3/4 |
130 |
105 |
75 |
55 |
2 |
16 |
4-φ14 |
|
25 |
1 |
140 |
115 |
85 |
65 |
2 |
16 |
4-φ14 |
|
32 |
5/4 |
165 |
135 |
100 |
78 |
2 |
18 |
4-φ18 |
|
40 |
3/2 |
165 |
145 |
110 |
85 |
3 |
18 |
4-φ18 |
|
50 |
2 |
203 |
160 |
125 |
100 |
3 |
20 |
4-φ18 |
|
65 |
5/2 |
222 |
180 |
145 |
120 |
3 |
20 |
4-φ18 |
|
80 |
3 |
241 |
195 |
160 |
135 |
3 |
22 |
8-φ18 |
|
100 |
4 |
305 |
215 |
180 |
155 |
3 |
24 |
8-φ18 |
|
125 |
5 |
356 |
245 |
210 |
185 |
3 |
26 |
8-φ18 |
|
150 |
6 |
394 |
280 |
240 |
210 |
3 |
28 |
8-φ23 |
|
200 |
8 |
457 |
335 |
295 |
265 |
3 |
30 |
12-φ23 |