富林克D341F46法兰式衬氟蝶阀是用阀杆一起转动的蝶板作启闭件,用以实现阀门的开启、关闭与调节。另外,蝶阀体积小、重量轻、结构简单等优点,与同参数闸阀比较,平均减轻重量达30~50%,蝶板旋转90度即可实现启、闭过程,又由于转轴两侧蝶板受介质作用力近似相等,转矩相反,因此启闭力矩较小

富林克D341F46法兰式衬氟蝶阀是用阀杆一起转动的蝶板作启闭件,用以实现阀门的开启、关闭与调节。另外,蝶阀体积小、重量轻、结构简单等优点,与同参数闸阀比较,平均减轻重量达30~50%,蝶板旋转90度即可实现启、闭过程,又由于转轴两侧蝶板受介质作用力近似相等,转矩相反,因此启闭力矩较小
法兰式衬氟蝶阀应用
富林克D341F46法兰式衬氟蝶阀是用阀杆一起转动的蝶板作启闭件,用以实现阀门的开启、关闭与调节。另外,蝶阀体积小、重量轻、结构简单等优点,与同参数闸阀比较,平均减轻重量达30~50%,蝶板旋转90度即可实现启、闭过程,又由于转轴两侧蝶板受介质作用力近似相等,转矩相反,因此启闭力矩较小

法兰式衬氟蝶阀介质所能到达的地方全部覆有可供选择的各种氟塑料,具有强度高、耐腐蚀性能好的特点,能够承受“除熔融碱金属和元素氟”以外任何腐蚀性介质,根据衬里材质的不同,适用于-50℃-150℃的各种浓度的王水、硫酸、盐酸、氢氟酸和各种有机酸、强酸、强氧化剂,FEP还适用于各种浓度的强碱有机溶剂以及其它腐蚀性气体、液体介质的管路上使用。

特点:
1、中线蝶阀为整个蝶板与阀座在360°圆周内同心(中线),具有双向密封功能,压力、流量可自由调节。
2、偏心蝶阀为二维方向偏心产生的凸轮效应会使密封副产生足够的密封比压,并且随着工作压力的升高,密封副产生足够的密封比压,并且随着工作压力的升高,密封效果更理想。
3、四级加载弹性密封,绝对保证了阀门内、外的零泄露。
4、轴头、蝶板圆周连接处的特殊过渡曲线与阀座的合理过盈。
5、轴头端面采用弹性O型圈和轴肩处刚性垫圈、弹性橡胶垫组合。
6、轴的径向采用O型圈与金属垫的组合。
7、阀座镶在有弹性条的阀体槽内。
8、采用可调性弹子定位,定位准确,结构简单。

|
型号 |
D3 4 1F46 法兰 式衬氟蝶阀 |
||
|
公称压力 Mpa |
0.6 |
1.0 |
1.6 |
|
壳体试压 Mpa |
0.9 |
2.0 |
2.4 |
|
密封试压Mpa |
0.7 |
1.1 |
1.76 |
|
使用 温度 |
-20℃~1 5 0℃ |
||
|
介质 |
各种浓度的王水、硫酸、盐酸、氢氟酸和各种有机酸、强酸、强氧化剂,强碱有机溶剂以及其它腐蚀性气体、液体介质的管路上 |
||

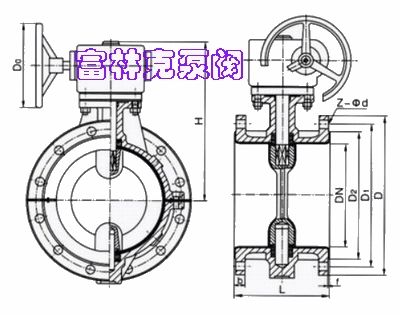
法兰式衬氟蝶阀结构图
|
公称通径 |
标准值 |
参考值 |
|||||||||||||||||||||||||||||||||
|
DN (mm) |
NPS (inch) |
L |
D |
D1 |
D2 |
f |
b |
Z-φd |
D0 |
H |
W(kg) |
||||||||||||||||||||||||
|
PN0.6(MPa) |
|||||||||||||||||||||||||||||||||||
|
40 |
11/2 |
106 |
130 |
100 |
80 |
3 |
16 |
4-φ14 |
160 |
140 |
10 |
||||||||||||||||||||||||
|
50 |
2 |
108 |
140 |
110 |
90 |
3 |
16 |
4-φ14 |
200 |
160 |
12 |
||||||||||||||||||||||||
|
65 |
21/2 |
112 |
160 |
130 |
110 |
3 |
16 |
4-φ14 |
250 |
160 |
13 |
||||||||||||||||||||||||
|
80 |
3 |
114 |
185 |
150 |
125 |
3 |
18 |
4-φ18 |
250 |
170 |
14 |
||||||||||||||||||||||||
|
100 |
4 |
127 |
205 |
170 |
145 |
3 |
18 |
4-φ18 |
300 |
180 |
16 |
||||||||||||||||||||||||
|
125 |
5 |
140 |
235 |
200 |
175 |
3 |
20 |
8-φ18 |
300 |
275 |
18 |
||||||||||||||||||||||||
|
150 |
6 |
140 |
260 |
225 |
200 |
3 |
20 |
8-φ18 |
200 |
295 |
38 |
||||||||||||||||||||||||
|
200 |
8 |
152 |
315 |
280 |
255 |
3 |
22 |
8-φ18 |
200 |
320 |
74 |
||||||||||||||||||||||||
|
250 |
10 |
250 |
470 |
335 |
310 |
3 |
24 |
12-φ18 |
240 |
385 |
105 |
||||||||||||||||||||||||
|
300 |
12 |
270 |
435 |
375 |
362 |
4 |
24 |
12-φ23 |
240 |
390 |
142 |
||||||||||||||||||||||||
|
350 |
14 |
290 |
485 |
445 |
412 |
4 |
26 |
16-φ25 |
240 |
460 |
179 |
||||||||||||||||||||||||
|
400 |
16 |
310 |
535 |
495 |
462 |
4 |
28 |
16-φ23 |
280 |
510 |
220 |
||||||||||||||||||||||||
|
450 |
18 |
330 |
590 |
550 |
518 |
4 |
28 |
16-φ23 |
280 |
540 |
268 |
||||||||||||||||||||||||
|
500 |
20 |
350 |
640 |
600 |
568 |
4 |
30 |
16-φ23 |
320 |
570 |
378 |
||||||||||||||||||||||||
|
600 |
24 |
390 |
755 |
705 |
670 |
5 |
30 |
20-φ25 |
320 |
660 |
608 |
||||||||||||||||||||||||
|
700 |
28 |
430 |
860 |
810 |
775 |
5 |
32 |
24-φ25 |
360 |
710 |
1050 |
||||||||||||||||||||||||
|
800 |
32 |
470 |
975 |
920 |
880 |
5 |
34 |
24-φ30 |
360 |
780 |
1320 |
||||||||||||||||||||||||
|
900 |
36 |
510 |
1075 |
1020 |
980 |
5 |
36 |
24-φ30 |
380 |
885 |
1795 |
||||||||||||||||||||||||
|
1000 |
40 |
550 |
1175 |
1120 |
1080 |
5 |
36 |
28-φ30 |
400 |
990 |
1900 |
||||||||||||||||||||||||
|
公称通径 |
标准值 |
参考值 |
|||||||||||||||||||||||||||||||||
|
DN (mm) |
NPS (inch) |
L |
D |
D1 |
D2 |
f |
b |
Z-φd |
D0 |
H |
W(kg) |
||||||||||||||||||||||||
|
PN1.0(MPa) |
|||||||||||||||||||||||||||||||||||
|
40 |
11/2 |
106 |
145 |
110 |
85 |
3 |
18 |
4-φ18 |
160 |
140 |
10 |
||||||||||||||||||||||||
|
50 |
2 |
108 |
160 |
125 |
100 |
3 |
20 |
4-φ18 |
200 |
160 |
12 |
||||||||||||||||||||||||
|
65 |
21/2 |
112 |
180 |
145 |
120 |
3 |
20 |
4-φ18 |
250 |
160 |
13 |
||||||||||||||||||||||||
|
80 |
3 |
114 |
195 |
160 |
135 |
3 |
22 |
4-φ18 |
250 |
170 |
14 |
||||||||||||||||||||||||
|
100 |
4 |
127 |
215 |
180 |
155 |
3 |
22 |
8-φ18 |
300 |
180 |
16 |
||||||||||||||||||||||||
|
125 |
5 |
140 |
245 |
210 |
185 |
3 |
24 |
8-φ18 |
300 |
275 |
18 |
||||||||||||||||||||||||
|
150 |
6 |
140 |
280 |
240 |
210 |
3 |
24 |
8-φ23 |
200 |
295 |
38 |
||||||||||||||||||||||||
|
200 |
8 |
152 |
335 |
295 |
265 |
3 |
26 |
8-φ23 |
200 |
320 |
74 |
||||||||||||||||||||||||
|
250 |
10 |
250 |
390 |
350 |
320 |
3 |
28 |
12-φ23 |
240 |
385 |
105 |
||||||||||||||||||||||||
|
300 |
12 |
270 |
440 |
400 |
368 |
4 |
28 |
12-φ23 |
240 |
390 |
142 |
||||||||||||||||||||||||
|
350 |
14 |
290 |
500 |
460 |
428 |
4 |
30 |
16-φ23 |
280 |
460 |
179 |
||||||||||||||||||||||||
|
400 |
16 |
310 |
565 |
515 |
482 |
4 |
32 |
16-φ25 |
280 |
510 |
220 |
||||||||||||||||||||||||
|
450 |
18 |
330 |
615 |
565 |
532 |
4 |
32 |
20-φ25 |
320 |
540 |
268 |
||||||||||||||||||||||||
|
500 |
20 |
350 |
670 |
620 |
585 |
4 |
34 |
20-φ30 |
320 |
570 |
378 |
||||||||||||||||||||||||
|
600 |
24 |
390 |
780 |
725 |
685 |
5 |
36 |
20-φ30 |
360 |
660 |
608 |
||||||||||||||||||||||||
|
700 |
28 |
430 |
895 |
840 |
800 |
5 |
40 |
24-φ30 |
360 |
710 |
1050 |
||||||||||||||||||||||||
|
800 |
32 |
470 |
1010 |
950 |
905 |
5 |
44 |
24-φ30 |
360 |
780 |
1320 |
||||||||||||||||||||||||
|
900 |
36 |
510 |
1110 |
1050 |
1005 |
5 |
46 |
28-φ34 |
380 |
885 |
1795 |
||||||||||||||||||||||||
|
1000 |
40 |
550 |
1220 |
1160 |
1115 |
5 |
50 |
28-φ34 |
400 |
990 |
1900 |
||||||||||||||||||||||||
|
公称通径 |
标准值 |
参考值 |
|||||||||||||||||||||||||||||||||
|
DN (mm) |
NPS (inch) |
L |
D |
D1 |
D2 |
f |
b |
Z-φd |
D0 |
H |
W(kg) |
||||||||||||||||||||||||
|
PN1.6(MPa) |
|||||||||||||||||||||||||||||||||||
|
40 |
11/2 |
106 |
145 |
110 |
85 |
3 |
18 |
4-φ18 |
160 |
140 |
10 |
||||||||||||||||||||||||
|
50 |
2 |
108 |
160 |
125 |
100 |
3 |
20 |
4-φ18 |
200 |
160 |
12 |
||||||||||||||||||||||||
|
65 |
21/2 |
112 |
180 |
145 |
120 |
3 |
20 |
4-φ18 |
250 |
160 |
13 |
||||||||||||||||||||||||
|
80 |
3 |
114 |
195 |
160 |
135 |
3 |
22 |
8-φ18 |
260 |
170 |
14 |
||||||||||||||||||||||||
|
100 |
4 |
127 |
215 |
180 |
155 |
3 |
24 |
8-φ18 |
300 |
180 |
16 |
||||||||||||||||||||||||
|
125 |
5 |
140 |
245 |
210 |
185 |
3 |
26 |
8-φ18 |
300 |
275 |
18 |
||||||||||||||||||||||||
|
150 |
6 |
140 |
280 |
240 |
210 |
3 |
28 |
8-φ23 |
200 |
295 |
42 |
||||||||||||||||||||||||
|
200 |
8 |
152 |
335 |
295 |
265 |
3 |
30 |
12-φ23 |
200 |
320 |
78 |
||||||||||||||||||||||||
|
250 |
10 |
250 |
405 |
355 |
320 |
3 |
32 |
12-φ25 |
240 |
385 |
120 |
||||||||||||||||||||||||
|
300 |
12 |
270 |
460 |
410 |
375 |
4 |
34 |
12-φ25 |
240 |
390 |
145 |
||||||||||||||||||||||||
|
350 |
14 |
290 |
520 |
470 |
435 |
4 |
38 |
16-φ25 |
240 |
460 |
202 |
||||||||||||||||||||||||
|
400 |
16 |
310 |
580 |
525 |
485 |
4 |
40 |
16-φ30 |
280 |
510 |
235 |
||||||||||||||||||||||||
|
450 |
18 |
330 |
640 |
585 |
545 |
4 |
44 |
20-φ30 |
280 |
540 |
368 |
||||||||||||||||||||||||
|
500 |
20 |
350 |
705 |
650 |
608 |
4 |
46 |
20-φ34 |
320 |
570 |
420 |
||||||||||||||||||||||||
|
600 |
24 |
390 |
755 |
770 |
718 |
5 |
54 |
24-φ41 |
320 |
660 |
750 |
||||||||||||||||||||||||
|
700 |
28 |
430 |
840 |
840 |
788 |
5 |
54 |
24-φ41 |
360 |
710 |
1028 |
||||||||||||||||||||||||
|
800 |
32 |
470 |
910 |
950 |
898 |
5 |
54 |
24-φ41 |
380 |
780 |
1690 |
||||||||||||||||||||||||
|
900 |
36 |
510 |
1120 |
1050 |
998 |
5 |
54 |
28-φ41 |
400 |
885 |
1815 |
||||||||||||||||||||||||
|
1000 |
40 |
550 |
1255 |
1170 |
1110 |
5 |
60 |
28-φ48 |
500 |
990 |
2050 |
||||||||||||||||||||||||