富林克EG41J英标衬胶隔膜阀专用于控制非腐蚀性或一般腐蚀性介质,阀体内腔表面无衬里或覆有可供选择的各种橡胶,适用于不同工作温度和流体管路。衬胶隔膜阀的启闭是依靠旋转手轮而达到的

富林克EG41J英标衬胶隔膜阀专用于控制非腐蚀性或一般腐蚀性介质,阀体内腔表面无衬里或覆有可供选择的各种橡胶,适用于不同工作温度和流体管路。衬胶隔膜阀的启闭是依靠旋转手轮而达到的
英标衬胶隔膜阀应用
富林克EG41J英标衬胶隔膜阀专用于控制非腐蚀性或一般腐蚀性介质,阀体内腔表面无衬里或覆有可供选择的各种橡胶,适用于不同工作温度和流体管路。衬胶隔膜阀的启闭是依靠旋转手轮而达到的。适用温度:≤85℃、≤100℃、≤120℃、≤150℃(按照衬里和隔膜材料)
当压力介质进入阀门控制腔,隔膜下压时,关闭阀门通道,当隔膜上升时,阀门通道被打开。隔膜阀没有阀杆、密封垫、定向座等,通道中运动的唯一部件就是隔膜,所以不存在锈蚀及抱死现象,具有更高的稳定性能。

特点
1.采用无填料函的构造;橡胶隔膜可使流道内的腐蚀性介质与所有驱动部件处於完全隔离的状态,从而杜绝了通常阀门的“跑、冒、滴、漏”等弊端。
2.由于隔膜阀的流道平滑,流阻小,故而可获得较大的流量。
3.阀体内腔表面视复有厅供选择的多种橡胶。所以拥有优越的耐腐蚀的特点。
4.密闭件为富有弹性的橡胶隔膜。所以还拥有较好的密闭性和最小的关闭力。
5.衬胶隔膜阀是由阀体、阀盖、阀瓣、阀杆、隔膜和其它驱动零件等组成的一种阀体。
6.可根据不同的视裹材质,适用於不同温度下的不同流体介质管路上,作为控制介质流动的启闭机构。
7.阀体与盖被中间隔膜隔开,使得隔膜上方的阀盖,阀杆等零件不受介质侵蚀

|
型号 |
EG41J英标衬胶隔膜阀 |
||
|
公称压力 Mpa |
0.6 |
1.0 |
1.6 |
|
壳体试压 Mpa |
0.9 |
2.0 |
2.4 |
|
密封试压Mpa |
0.7 |
1.1 |
1.76 |
|
使用 温度 |
-20℃~100℃ |
||
|
介质 |
适用于除强氧化剂(如硝酸、铬酸、浓流酸及过氧化氢等和有机溶剂)外的氢氰酸、50%氟硅酸、盐酸、30%硫酸、50%氢氟酸、85%磷酸、碱、盐类、镀金属溶液、氢氧化纳、氢氧化钾、中性盐水溶液、10%次氯酸钠、湿氯气、氨水、大部分醇类、有机酸及醛类、水泥、石灰浆、植物油、元素气体、醚类、酮类、酯类、除盐水、净化水等介质 |
||
|
材质 |
阀体:铸铁、碳钢 衬里/阀座 : 天然橡胶/EPDM/丁基橡胶等 |
||

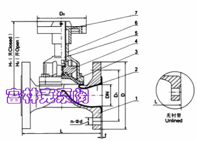
英标衬胶隔膜阀结构图

|
DN |
公称压力 MPa |
工作压力 MPa |
L mm |
D mm |
D1 mm |
n-Фd mm |
f mm |
H1 mm |
H2 mm |
D0 mm |
质量 Kg/kilos |
|
20 |
1. 6 |
1.0 |
117 |
105 |
75 |
4-13.5 |
2 |
150 |
162 |
- |
- |
|
25 |
127 |
115 |
85 |
4-13.5 |
2 |
150 |
162 |
120 |
3.5 |
||
|
32 |
146 |
140 |
100 |
4-17.5 |
2 |
152 |
180 |
120 |
5 |
||
|
40 |
159 |
150 |
110 |
4-17.5 |
2 |
152 |
180 |
120 |
6 |
||
|
50 |
190 |
165 |
125 |
4-17.5 |
2 |
163 |
198 |
120 |
8.5 |
||
|
65 |
216 |
185 |
145 |
4-17.5 |
2 |
205 |
227 |
230 |
16 |
||
|
80 |
254 |
200 |
160 |
8-17.5 |
2 |
220 |
252 |
230 |
22 |
||
|
100 |
305 |
220 |
180 |
8-17.5 |
2 |
262 |
300 |
280 |
32 |
||
|
125 |
0.6 |
356 |
250 |
210 |
8-17.5 |
3 |
290 |
335 |
280 |
43.5 |
|
|
150 |
406 |
285 |
240 |
8-22 |
3 |
368 |
427 |
368 |
65 |
||
|
200 |
521 |
340 |
295 |
8-22 |
3 |
410 |
470 |
483 |
112.5 |
||
|
250 |
0.4 |
635 |
395 |
350 |
12-22 |
5 |
479 |
569 |
483 |
192.5 |
|
|
300 |
749 |
445 |
400 |
12-22 |
5 |
550 |
650 |
560 |
296 |
||
|
350 |
787 |
505 |
460 |
16-22 |
5 |
550 |
650 |
560 |
- |