富林克WJ41H波纹管密封截止阀采用双重密封设计,所以密封性能比普通截止阀有着更加可靠的优越性。波纹管截止阀的使用寿命长短,大部分取决于其核心部件——波纹管

富林克WJ41H波纹管密封截止阀采用双重密封设计,所以密封性能比普通截止阀有着更加可靠的优越性。波纹管截止阀的使用寿命长短,大部分取决于其核心部件——波纹管
波纹管截止阀应用
富林克WJ41H波纹管密封截止阀采用双重密封设计,所以密封性能比普通截止阀有着更加可靠的优越性。波纹管截止阀的使用寿命长短,大部分取决于其核心部件——波纹管。富林克采用世界上工艺先进的波纹管作为技术主要部件,大大提高了波纹管截止阀的耐疲劳及使用寿命

波纹管截止阀适用于公称压力PN1.6~10MPa,工作温度-29~350℃的工控,本产品广泛应用于:石油化工、化纤纺织、塑料造纸、电力钢铁、印染橡胶、高温、低温、剧毒、强腐、节能、天然气和其它气体系统中,性能安全可靠

特点
1. 波纹管截止阀,其关键部件金属波纹管,下端与阀杆组件采用自动滚焊焊接,上端与连接板自动滚焊接,在流体介质和大气之间形成一个金属屏障,确保阀杆零泄漏;
2. 阀瓣采用锥形设计,密封面与介质成流线形,密封性能更好,使用寿命更长;
3. 双重的密封设计(波纹管+填料)若波纹管失效,阀杆填料也会避免泄漏,符合国际密封标准;
4. 阀盖上自带有加脂接头,可直接对阀杆、螺母和轴套进行润滑,不像传统的只对螺纹加润滑油;
5. 人体工程学设计手轮,使用寿命更长,操作轻松便捷,更安全可靠;

|
驱动方式 |
手动 、 电动 、 气动 |
|
设计标准 |
DIN3356 |
|
结构长度 |
DIN3202 |
|
连接法兰 |
DIN2543-2545 |
|
试验和检验 |
DIN3230 |

|
公称压力(MPa) |
壳体试验压力(MPa) |
密封试验压力(MPa) |
适用温度(℃) |
|
1.6 |
2.4 |
1.76 |
≤350℃ |
|
2.5 |
3.75 |
2.75 |
|
|
4.0 |
6.0 |
4.4 |
|
|
6.4 |
9.6 |
7.04 |

|
序号NO. |
名称part name |
材质material |
|
1 |
阀体body |
GS-C25、CF8、CF3 |
|
2 |
阀瓣disc |
2CR13、F304、F316 |
|
3 |
轴销hinge pin |
F304、F316 |
|
4 |
波纹管组件bellows combination |
F304、F316L |
|
5 |
阀盖bonnet |
GS-C25、CF8、CF3 |
|
6 |
填料packing |
柔性石墨Flexible graphite、PTFE |
|
7 |
压套gland |
25#、F304、F316 |
|
8 |
定位片locator |
25#、F304、F316 |
|
9 |
阀杆螺母stem nut |
铜合金ZQA19-4 |
|
10 |
手轮hand wheel |
碳钢carbon steel |
|
11 |
并帽cap |
25# |
|
12 |
油杯oil cup |
黄铜brass |
|
13 |
六角螺母hexagon nut |
ASTMA193 2H、A193-8、A193-8M |
|
14 |
双头螺栓bolt |
ASTMA193 B7、A193-B8、A193-B8M |
|
15 |
垫片gasket |
柔性石墨+不锈钢 |
|
16 |
阀杆stem |
2Cr13、F304、F316 |

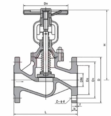
波纹管截止阀结构图

|
口径 |
15 |
20 |
25 |
32 |
40 |
50 |
65 |
80 |
100 |
125 |
150 |
200 |
250 |
300 |
350 |
|
L |
130 |
150 |
160 |
180 |
200 |
230 |
290 |
310 |
350 |
400 |
480 |
600 |
730 |
850 |
980 |
|
H |
195 |
200 |
220 |
225 |
235 |
250 |
260 |
265 |
370 |
400 |
515 |
550 |
600 |
630 |
680 |
|
Do |
130 |
130 |
130 |
130 |
150 |
150 |
180 |
180 |
200 |
200 |
400 |
450 |
450 |
500 |
500 |
|
重量(Kg) |
4 |
4.5 |
5 |
7 |
9 |
12.5 |
18 |
23 |
41 |
54 |
90 |
160 |
260 |
410 |
610 |
2.5 MPa主要外形连接尺寸及重量:
|
口径 |
15 |
20 |
25 |
32 |
40 |
50 |
65 |
80 |
100 |
125 |
150 |
200 |
250 |
300 |
350 |
|
L |
130 |
150 |
160 |
180 |
200 |
230 |
290 |
310 |
350 |
400 |
480 |
600 |
730 |
850 |
980 |
|
H |
195 |
200 |
220 |
225 |
235 |
250 |
260 |
265 |
370 |
400 |
515 |
550 |
600 |
630 |
680 |
|
Do |
130 |
130 |
130 |
130 |
150 |
150 |
180 |
180 |
200 |
200 |
400 |
450 |
450 |
500 |
450 |
|
重量(Kg) |
4 |
4.5 |
5 |
7 |
9.5 |
13 |
19 |
24 |
43 |
57 |
95 |
168 |
300 |
510 |
680 |
4.0 MPa主要外形连接尺寸及重量:
|
口径 |
15 |
20 |
25 |
32 |
40 |
50 |
65 |
80 |
100 |
125 |
150 |
200 |
250 |
300 |
350 |
|
L |
130 |
150 |
160 |
180 |
200 |
230 |
290 |
310 |
350 |
400 |
480 |
600 |
730 |
850 |
980 |
|
H |
195 |
200 |
220 |
225 |
235 |
250 |
260 |
265 |
370 |
400 |
515 |
550 |
600 |
630 |
680 |
|
Do |
130 |
130 |
130 |
130 |
150 |
150 |
180 |
180 |
200 |
200 |
400 |
450 |
450 |
500 |
500 |
|
重量(Kg) |
4 |
4.5 |
5 |
8 |
10 |
13.5 |
20 |
25 |
45 |
60 |
98 |
171 |
340 |
580 |
780 |