富林克D71X对夹蝶阀(万能体)蝶阀由橡胶密封蝶阀和碳钢或不锈钢蝶板、阀杆构成。蝶阀定位盘、涡轮头、手柄螺栓、蝶板销子均采用不锈钢材质,橡胶阀座,耐腐蚀效果好

富林克D71X对夹蝶阀(万能体)蝶阀由橡胶密封蝶阀和碳钢或不锈钢蝶板、阀杆构成。蝶阀定位盘、涡轮头、手柄螺栓、蝶板销子均采用不锈钢材质,橡胶阀座,耐腐蚀效果好
对夹软密封蝶阀应用
富林克D71X对夹蝶阀(万能体)蝶阀由橡胶密封蝶阀和碳钢或不锈钢蝶板、阀杆构成。蝶阀定位盘、涡轮头、手柄螺栓、蝶板销子均采用不锈钢材质,橡胶阀座,耐腐蚀效果好。该蝶阀结构简单,性能优良,拆装方便快捷,使用广泛。适用于供排水,发电,石油,化工,冶炼,医药,造纸,船舶,环保,能源等系统中一切腐蚀性、非腐蚀性的气体、液体、半流体、以及固体粉末管线和容器上作为调节和截流装置使用。

|
公称通径 |
DN(mm) |
50~800 |
||
|
公称压力 |
PN(MPa) |
0.6 |
1.0 |
1.6 |
|
试验压力 |
强度试验 |
0.9 |
1.5 |
2.4 |
|
密封试验 |
0.66 |
1.1 |
1.76 |
|
|
气密封试验 |
0.6 |
0.6 |
0.6 |
|
|
适用介质 |
空气、水、污水、气体、煤气、油品等。 |
|||
|
驱动形式 |
手动、蜗杆蜗轮传动、气传动、电传动。 |
|||
对夹软密封蝶阀特点
1.橡胶阀座,安装更简单,使用更广泛,与法兰水线接触面更宽
2.橡胶阀座相比较与挂胶蝶阀,橡胶不易脱落,端径橡胶更具弹性,外观更干净,使整体稳定性增加一倍
3.橡胶阀座使蝶阀的回弹性及拉力超级稳定可靠,开启试验达到≥10000次以上无泄漏
4.可为您提供国标(国标号)、德标、俄标、美标、英标、日标等多种标准
5.阀体阀板均使用QT450-10材料,球化率3级以上,机械性能完全达标,抗拉强度450Mpa,延展率大于10%,不易拉裂,冻裂

|
零件名称 |
材料 |
|
阀体 |
WCB、QT450-10、HT200、HT250 |
|
蝶板 |
WCB、QT450-10、304、316 |
|
阀轴 |
2Cr13 |
|
密封圈 |
丁腈橡胶、三元乙丙 |
|
填料 |
柔性石墨 |
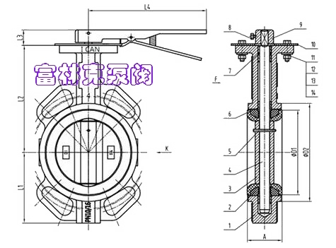
手动对夹软密封蝶阀结构及规格尺寸

|
阀门执行标准 |
名称 |
设计与制造 |
结构长度 |
试压标准 |
上法兰尺寸 |
侧法兰尺寸 |
||
|
参照标准 |
GB/T 12238-2008 |
GB/T 12221-2008 |
GB/T 13927-2008 |
ISO 5211 |
CLASS150/PN6/PN10/PN16/5K/10K/TABLE D/TABLE E |
|||
|
主要零部件信息 |
名称 |
1-阀体 |
2-阀座 |
3-蝶板 |
4-阀轴 |
5-手柄 |
||
|
材质 |
球墨铸铁DI |
三元乙丙橡胶EPDM |
球墨铸铁DI |
不锈钢410 |
冲压 |
|||
|
尺寸信息 |
DN |
NPS(英寸) |
H1 |
H2 |
H3 |
∅A |
∅B |
A |
|
40 |
1.5" |
65 |
128 |
32 |
110 |
95 |
33 |
|
|
50 |
2" |
75 |
129 |
32 |
125 |
105 |
43 |
|
|
65 |
2.5" |
82 |
136 |
32 |
145 |
127 |
46 |
|
|
80 |
3" |
99 |
153 |
32 |
160 |
145 |
46 |
|
|
100 |
4" |
110 |
167 |
32 |
190.5 |
165 |
52 |
|
|
125 |
5" |
125 |
193 |
32 |
216 |
200 |
56 |
|
|
150 |
6" |
145 |
209 |
32 |
241.3 |
225 |
56 |
|
|
200 |
8" |
170 |
251 |
40 |
298.4 |
280 |
60 |
|
涡轮对夹软密封蝶阀结构及规格尺寸

|
阀门执行标准 |
名称 |
设计与制造 |
结构长度 |
试压标准 |
上法兰尺寸 |
侧法兰尺寸 |
||
|
参照标准 |
GB/T 12238-2008 |
GB/T 12221-2008 |
GB/T 13927-2008 |
ISO 5211 |
CLASS150/PN6/PN10/PN16/5K/10K/TABLE D/TABLE E |
|||
|
主要零部件信息 |
名称 |
1-阀体 |
2-阀座 |
3-蝶板 |
4-阀轴 |
5-涡轮 |
||
|
材质 |
球墨铸铁DI |
三元乙丙橡胶EPDM |
球墨铸铁DI |
不锈钢410 |
组件 |
|||
|
尺寸信息 |
DN |
NPS(英寸) |
H1 |
H2 |
H3 |
∅A |
∅B |
A |
|
DN50 |
2" |
75 |
129 |
32 |
125 |
105 |
43 |
|
|
DN65 |
2.5" |
82 |
136 |
32 |
145 |
127 |
46 |
|
|
DN80 |
3" |
99 |
153 |
32 |
160 |
145 |
46 |
|
|
DN100 |
4" |
110 |
167 |
32 |
190.5 |
165 |
52 |
|
|
DN125 |
5" |
125 |
193 |
32 |
216 |
200 |
56 |
|
|
DN150 |
6" |
145 |
209 |
32 |
241.3 |
225 |
56 |
|
|
DN200 |
8" |
170 |
251 |
40 |
298.4 |
280 |
60 |
|
|
DN250 |
10" |
210 |
280 |
45 |
361.9 |
350 |
68 |
|
|
DN300 |
12" |
240 |
315 |
45 |
431.8 |
400 |
78 |
|
|
DN350 |
14" |
260 |
348 |
45 |
476.2 |
445 |
78 |
|
|
DN400 |
16" |
295.5 |
392.5 |
52 |
540 |
510 |
102 |
|
|
DN450 |
18" |
401.5 |
322.5 |
52 |
585 |
565 |
114 |
|
|
DN500 |
20" |
451.5 |
362.5 |
64 |
650 |
620 |
127 |
|
|
DN600 |
24" |
541.5 |
428.5 |
70 |
770 |
725 |
154 |
|