富林克D341X法兰式蝶阀结构简单,小巧轻便,密封性能好,使用寿命长,可用于低压管道介质的开关控制

富林克D341X法兰式蝶阀结构简单,小巧轻便,密封性能好,使用寿命长,可用于低压管道介质的开关控制
法兰软密封蝶阀应用
富林克D341X法兰式蝶阀结构简单,小巧轻便,密封性能好,使用寿命长,可用于低压管道介质的开关控制。涡轮法兰式蝶阀主要适用于市政建设、水利工程、电力、给排水、水处理等系统排水用,尤为适用自来水管路上作为调节流量设备使用。

|
公称通径 |
DN(mm) |
50~1200 |
||
|
公称压力 |
PN(MPa) |
0.6 |
1.0 |
1.6 |
|
试验压力 |
强度试验 |
0.9 |
1.5 |
2.4 |
|
密封试验 |
0.66 |
1.1 |
1.76 |
|
|
气密封试验 |
0.6 |
0.6 |
0.6 |
|
|
适用介质 |
空气、水、污水、气体、煤气、油品等。 |
|||
|
驱动形式 |
手动、蜗杆蜗轮传动、气传动、电传动。 |
|||

法兰软密封蝶阀特点
1.阀体阀板均使用QT450-10材料,球化率3级以上,机械性能完全达标,抗拉强度450Mpa,延展率大于10%,不易拉裂,冻裂
2.橡胶阀座相比较与挂胶蝶阀,橡胶不易脱落,端径橡胶更具弹性,外观更干净,使整体稳定性增加一倍
3.阀座橡胶使用符合标准的EPDM橡胶,蝶阀的回弹性及拉力更稳定可靠,启闭10000次以上无泄漏
4.阀体外表采用静电粉末热喷喷涂工艺,更加环保,耐候性更高,保证阀体36个月不变色
5.设计新颖、结构独特,操力矩小,启闭迅速。
6.密封件可以更换,密封性能可靠达到双向密封零泄漏
7.密封材料耐老化、耐弱腐蚀,使用寿命长等特点

|
零件名称 |
材料 |
|
阀体 |
铸铁、铸钢、不锈钢 |
|
蝶板 |
铸铁(镀铬)、不锈钢 |
|
密封圈 |
丁晴橡胶、乙丙橡胶 |
|
阀杆 |
2Cr13、1Cr13不锈钢 |
|
填料 |
柔性石墨 |
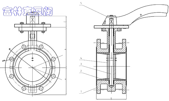
手动法兰软密封蝶阀结构及规格

|
阀门执行标准 |
名称 |
设计及制造 |
结构长度 |
试压标准 |
上法兰尺寸 |
侧法兰尺寸 |
|
参照标准 |
GB/T 12238-2008 |
GB/T 12221-2008 |
GB/T 13927-2008 |
ISO 5211 |
GB/T 17241.6-2008 |
|
|
主要零部件信息 |
名称 |
1-阀体 |
2-阀座 |
3-蝶板 |
4-阀轴 |
5-铸铁、铝合金 |
|
材质 |
球墨铸铁DI |
三元乙丙橡胶EPDM |
不锈钢304 |
不锈钢410 |
组件 |
|
|
尺寸信息 |
DN |
NPS(英寸) |
A |
B |
C |
L |
|
DN50 |
2" |
69.5 |
126.5 |
32 |
108 |
|
|
DN65 |
2.5" |
72 |
136 |
32 |
112 |
|
|
DN80 |
3" |
88 |
146 |
32 |
114 |
|
|
DN100 |
4" |
96.5 |
158 |
32 |
127 |
|
|
DN125 |
5" |
115 |
179 |
32 |
140 |
|
|
DN150 |
6" |
126 |
197 |
32 |
140 |
|
|
DN200 |
8" |
161 |
230 |
45 |
152 |
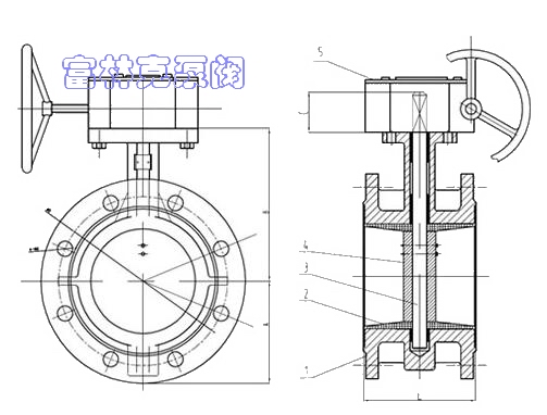
手动法兰软密封蝶阀结构及规格

|
阀门执行标准 |
名称 |
设计及制造 |
结构长度 |
试压标准 |
上法兰尺寸 |
侧法兰尺寸 |
|
参照标准 |
GB/T 12238-2008 |
GB/T 12221-2008 |
GB/T 13927-2008 |
ISO 5211 |
GB/T 17241.6-2008 |
|
|
主要零部件信息 |
名称 |
1-阀体 |
2-阀座 |
3-蝶板 |
4-阀轴 |
5-涡轮 |
|
材质 |
球墨铸铁DI |
三元乙丙橡胶EPDM |
不锈钢304 |
不锈钢410 |
组件 |
|
|
尺寸信息 |
DN |
NPS(英寸) |
A |
B |
C |
L |
|
DN50 |
2" |
69.5 |
126.5 |
32 |
108 |
|
|
DN65 |
2.5" |
72 |
136 |
32 |
112 |
|
|
DN80 |
3" |
88 |
146 |
32 |
114 |
|
|
DN100 |
4" |
96.5 |
158 |
32 |
127 |
|
|
DN125 |
5" |
115 |
179 |
32 |
140 |
|
|
DN150 |
6" |
126 |
197 |
32 |
140 |
|
|
DN200 |
8" |
161 |
230 |
45 |
152 |
|
|
DN250 |
10" |
199 |
271 |
45 |
165 |
|
|
DN300 |
12" |
215 |
305 |
45 |
178 |
|
|
DN350 |
14" |
261 |
350 |
45 |
190 |
|
|
DN400 |
16" |
290 |
381 |
51 |
216 |
|
|
DN450 |
18" |
307 |
392 |
51 |
222 |
|
|
DN500 |
20" |
340 |
441 |
57 |
229 |
|
|
DN600 |
24" |
396 |
500 |
70 |
267 |
|
|
DN700 |
28" |
496 |
567 |
66 |
292 |
|
|
DN800 |
32" |
543 |
641 |
66 |
318 |
|
|
DN900 |
36" |
584 |
692 |
118 |
330 |
|
|
DN1000 |
40" |
638 |
735 |
142 |
410 |
|
|
DN1200 |
44" |
763 |
917 |
150 |
470 |