富林克D341J法兰式衬胶蝶阀设计结构新颖,整体尺寸小,重量轻;蝶板采用双偏心,启闭迅速,操作轻便省力;蝶板与密封圈间无滑动摩擦,密封面耐磨损,使用寿命长,密封可靠,易调整

富林克D341J法兰式衬胶蝶阀设计结构新颖,整体尺寸小,重量轻;蝶板采用双偏心,启闭迅速,操作轻便省力;蝶板与密封圈间无滑动摩擦,密封面耐磨损,使用寿命长,密封可靠,易调整
对夹衬胶蝶阀应用
富林克D341J法兰式衬胶蝶阀设计结构新颖,整体尺寸小,重量轻;蝶板采用双偏心,启闭迅速,操作轻便省力;蝶板与密封圈间无滑动摩擦,密封面耐磨损,使用寿命长,密封可靠,易调整。适用于温度≤80℃,公称压力≤1.6MPa的食品、医药、化工、石油、电力、轻纺造纸等给排水、气体管道上作调节流量和截流介质的作用
标准
设计与制造:GB12238
结构长度:GB12221(13系列)
法兰连接尺寸:GB4216

特点
结构独特,操作扭矩小,开关迅速。
软密封,免维护,流量大,流量特性趋直线,调节性能好
密封件可以更换,密封性能可靠达到双向密封零泄漏。
阀座镶在有弹性条的阀体的槽内,密封材料耐老化、耐弱腐蚀.
蝶板与阀杆的连接采用无销钉结构,克服了有可能的内泄漏点
蝶板外圆采用球面造型,提高了密封性能及延长了阀门的使用寿命
密封表面和蝶板为橡胶包衬,保证阀轴不与腔内流体介质接触更耐腐蚀

|
称通径 |
DN(mm) |
50~800 |
||||
|
公称压力 |
PN(MPa) |
0.6 |
1.0 |
1.6 |
||
|
试验压力 |
强度试验 |
0.9 |
1.5 |
2.4 |
||
|
密封试验 |
0.66 |
1.1 |
1.76 |
|||
|
气密封试验 |
0.6 |
0.6 |
0.6 |
|||
|
适用介质 |
空气、水、污水、煤气、油品等。 |
|||||
|
驱动形式 |
手动、蜗蜗轮传动、气动、电动。 |
|||||
|
零件名称 |
材料 |
|||||
|
阀体 |
球墨铸铁、铸钢、合金钢、不锈钢 |
|||||
|
蝶板 |
铸钢、不锈钢及特殊材料 |
|||||
|
密封圈 |
各种橡胶、聚四氟 |
|||||
|
阀杆 |
2Cr13、不锈钢 |
|||||
|
填料 |
O型圈、柔性石墨O |
|||||
|
密封圈材料代号 |
适用温度 |
适用介质 |
||||
|
NR |
≤85℃ |
水、空气、酸碱类 |
||||
|
CR |
≤85℃ |
水、煤气、酸碱类 |
||||
|
NBR |
≤100℃ |
水、油品 |
||||
|
CPDM |
≤120℃ |
水、蒸汽、一般酸碱类 |
||||
|
FKM |
≤150℃ |
水、蒸汽、强酸碱类 |
||||

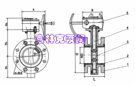
法兰式衬胶蝶阀结构图

|
公称通径DN |
L mm |
D mm |
D1 mm |
n-d(mm) |
H1 mm |
H2 mm |
质量 |
|
|
PN1.6 |
PN1.6 |
|||||||
|
50 |
108 |
165 |
125 |
4-18 |
4-18 |
91 |
120 |
8 |
|
65 |
112 |
185 |
145 |
4-18 |
4-18 |
104 |
140 |
11.5 |
|
80 |
114 |
200 |
160 |
8-18 |
8-18 |
107 |
150 |
12.5 |
|
100 |
127 |
220 |
180 |
8-18 |
8-18 |
135 |
165 |
23 |
|
125 |
140 |
250 |
210 |
8-18 |
8-18 |
129 |
190 |
40.5 |
|
150 |
140 |
285 |
240 |
8-22 |
8-22 |
131 |
205 |
46.5 |
|
200 |
152 |
340 |
295 |
8-22 |
12-22 |
177 |
255 |
61 |
|
250 |
165 |
395 |
350 |
12-22 |
12-26 |
206 |
270 |
73.5 |
|
300 |
178 |
445 |
400 |
12-22 |
12-26 |
220 |
320 |
103 |
|
350 |
190 |
505 |
460 |
16-22 |
16-26 |
264 |
358 |
120 |
|
400 |
216 |
565 |
515 |
16-26 |
16-30 |
298 |
400 |
217 |
|
450 |
222 |
615 |
565 |
16-26 |
|
327 |
420 |
242 |
|
500 |
229 |
671 |
620 |
20-26 |
|
352 |
480 |
279 |
|
600 |
267 |
780 |
725 |
20-30 |
|
446 |
560 |
396 |
|
700 |
292 |
895 |
840 |
24-30 |
|
486 |
610 |
596 |