富林克H41J升降式衬胶止回阀专用于控制非腐蚀性或一般腐蚀性介质,阀体内腔表面覆有可供选择的各种橡胶,适用于不同工作温度和液体管路

富林克H41J升降式衬胶止回阀专用于控制非腐蚀性或一般腐蚀性介质,阀体内腔表面覆有可供选择的各种橡胶,适用于不同工作温度和液体管路
升降式衬胶止回阀应用
富林克H41J升降式衬胶止回阀专用于控制非腐蚀性或一般腐蚀性介质,阀体内腔表面覆有可供选择的各种橡胶,适用于不同工作温度和液体管路。
衬胶止回阀阀瓣垂直于阀体进、出口轴线作升降运动,其优点是止回的密封性能非常好,适用于水平安装,是一种依靠介质本身的流动而自动启闭阀瓣用来阻止介质逆向流动的自动阀门

|
技 术 规 范 |
|
|
设计标准 |
GB12236 |
|
结构长度 |
GB12221 |
|
法兰标准 |
JB/T79-94 |
|
|
GB9113.1-26 |
|
检验试验 |
GB/T13927 |

|
型号 |
H41J升降式衬胶止回阀 |
||
|
公称压力 Mpa |
0.6 |
1.0 |
1.6 |
|
壳体试压 Mpa |
0.9 |
2.0 |
2.4 |
|
密封试压Mpa |
0.7 |
1.1 |
1.76 |
|
使用 温度 |
-20℃~100℃ |
||
|
介质 |
适用于除强氧化剂(如硝酸、铬酸、浓流酸及过氧化氢等和有机溶剂)外的氢氰酸、50%氟硅酸、盐酸、30%硫酸、50%氢氟酸、85%磷酸、碱、盐类、镀金属溶液、氢氧化纳、氢氧化钾、中性盐水溶液、10%次氯酸钠、湿氯气、氨水、大部分醇类、有机酸及醛类、水泥、石灰浆、植物油、元素气体、醚类、酮类、酯类、除盐水、净化水等介质 |
||
|
材质 |
阀体:铸铁、 碳钢 衬里/阀座 : 天然橡胶/EPDM/丁基橡胶等 |
||
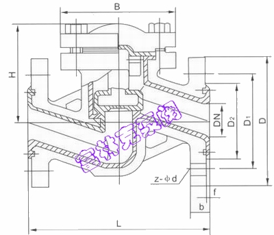
升降式衬胶止回阀结构图

|
公称通径 |
公称压力 |
工作压力 |
L |
D |
D1 |
n-Фd |
|
15 |
1.0、 1.6 |
1.0 、 1.6 |
130 |
95 |
65 |
4-13.5 |
|
20 |
|
|
150 |
105 |
75 |
4-13.5 |
|
25 |
|
|
160 |
115 |
85 |
4-13.5 |
|
32 |
|
|
180 |
140 |
100 |
4-17.5 |
|
40 |
|
|
200 |
150 |
110 |
4-17.5 |
|
50 |
|
|
230 |
165 |
125 |
4-17.5 |
|
65 |
|
|
290 |
185 |
145 |
4-17.5 |
|
80 |
|
|
310 |
200 |
160 |
6/2-17.5 |
|
100 |
|
|
350 |
220 |
180 |
6/2-17.5 |
|
125 |
|
|
400 |
250 |
210 |
6/2-17.5 |
|
150 |
|
|
480 |
285 |
240 |
6/2-22 |
|
200 |
|
|
600 |
340 |
295 |
6/2-22 |
|
250 |
|
|
730 |
395 |
350 |
10/2-22 10/2-22 |